| Sign In | Join Free | My chinacomputerparts.com |
|
Brand Name : OEM
Model Number : 320D
Place of Origin : China
MOQ : 1 PCS
Price : Negotiable
Payment Terms : D/P, D/A, T/T, L/C, Western Union, MoneyGram
Supply Ability : 100-2000
Delivery Time : 3-7 working days
Packaging Details : Wooden box for heavy parts, paper carton for light parts
egory : Spare parts
Excavator Type : Excavator
Model : e320d
Part NO. : 324-0123 281-3588
Parts Name : excavator fan drive
Package : Standard Box package
| Excavator spare parts name | FAN DRIVE AS |
| Equipment Model | E320D |
| Parts egory | Doosan solar excavator monitor spare parts |
| Spare parts Condition | Brand new |
| MOQ of order(PCS, SET) | 1 |
| Parts Availability | In stock |
| Delivery Lead time | 1-3 days |

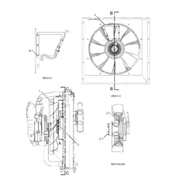
1.245-9344[1] -
FAN AS (10-BLADE, BOLT MTG DIA 152-MM)
2.265-3557[1] -
PLATE AS .
3.281-3588[1] -
DRIVE AS-FAN (FLUID CLUTCH)
186-3735[6] -
PIN-CONNECTOR (16-GA TO 18-GA)
102-8805[1] -
KIT-RECEPTACLE (6-PIN)
INCLUDES RECEPTACLE AS & WEDGE
4.7X-0818 M[6] -
BOLT (M8X1.25X45-MM)
5.8T-4189 M[6] -
BOLT (M8X1.25X20-MM)
6.8T-4200 M[3] -
BOLT (M8X1.25X16-MM)
7.8T-4224[15] -
WASHER-HARD (8.8X16X2-MM THK)
|
|
324-0123 281-3588 DRIVE AS-FAN (FLUID CLUTCH) Applied To E320D 320D Excavator Parts Images |